销售热线
技术热线:0576-85183757

销售电话:0576-85182037
技术电话:0576-85183757
传真号码:0576-85182843
联系邮箱:haihong@cn-hydraulic.com
公司地址:浙江省临海市江南街道金岭路199号
产品特点
6通片式多路阀;
紧凑的片式结构,可针对不同机器的需要组合相应的控制阀组;
控制方式:手动、液控;
并联回路、串并联回路;
多路阀结构紧凑,体积小巧,安装空间要求低,压力损失小;
通过一次二次溢流阀保护系统;
内泄漏小,有进油单向阀以防油液倒流,克服执行机构“点头”现象。
应用领域
应用微型挖掘机等工程机械。
技术参数(对超出下述参数的应用场合,请与我公司联系)
|
概述 |
|
|
通径 |
15mm |
|
公称压力 |
200bar |
|
最大压力 |
280bar |
|
公称流量 |
63L/min |
|
最大流量 |
80L/min |
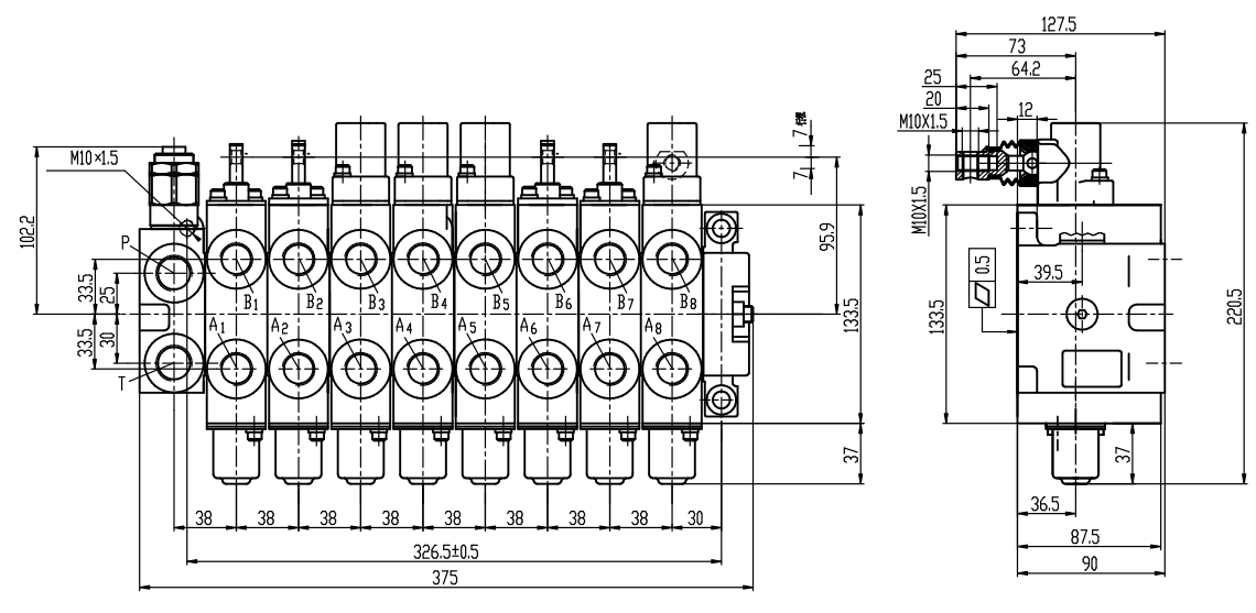
外形安装尺寸及原理图
应用说明
该系列WJ15WY多路阀应用于微型挖掘机,进油采用串并联结构,动作联可根据需求增加或减少。进油联上有主溢流阀,保护系统压力不超过设定值,动作联上可装二次溢流阀,保护油缸。阀杆机能可用O或Y型,控制机能可手动、可液控,复位机构可用弹簧,亦可用钢球定位。
相关产品
销售热线:0576-85182037
友情链接: 多路阀系列 先导阀系列 制动阀系列 操纵阀系列 农机阀系列 转向阀系列 Sitemap TXT Sitemap XML 网站地图

微信官网

手机官网